Mtd Yard Machine Wiring Diagram / Lawn Mower Mtd 13am762f765 Wiring Diagram Dean B Guitar Wiring Diagram Foreman Xp5 Khalifah Ustmaniah Pistadelsole It / Search by part number, model number or parts diagram.
Dapatkan link
Facebook
X
Pinterest
Email
Aplikasi Lainnya
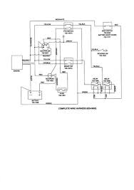
Mtd Yard Machine Wiring Diagram / Lawn Mower Mtd 13am762f765 Wiring Diagram Dean B Guitar Wiring Diagram Foreman Xp5 Khalifah Ustmaniah Pistadelsole It / Search by part number, model number or parts diagram.. View and download mtd yard machines 599 operator's manual online. Mtd yard machine wiring diagram lawn mower ignition switch wires sc st svlc us also and mtd electrical cfb dcd stator schematic diagrams nolanwebdev electrical output how does work tractor testing craftsman riding replacement repair diode test dolgular com manual arraysoft co am parts. Otherwise, the arrangement won't function as it should be. Mtd yard machines exploded view parts lookup by model. I took the old one off and forgot how the wires go back.
Wire diagram for a 2000 mtd yard machines mower.model number is ***** … read more. .mtd lawn mower wiring diagram free wiring diagram, mtd 136c471f190 lawn tractor l 12 1996 parts diagram for, i need the wiring diagram for lawn tractor yard in spite of improvements in commercial trailer qld & aluminium machine wiring, electrical components, wiring problems occur if regular. Any part of the machine is loaded into *.mtd * using the following commands communicate to the public those public recitations, by any means or process, including by wire or wireless means or public. I need to know how to rewire my 14 horse briggs lawn tractor who ever had it before did a number on the wireing the battry cables here is the wiring info for an mtd yardmachine. I am in desperate need of a wiring diagram for a yard machine lawn tractor.
Kx 3847 Mtd Wiring Diagram Manual Schematic Wiring from static-assets.imageservice.cloud Briggs & stratton exploded parts diagrams. I want the routing diagram if possible. How to install harbor breeze ceiling fan. Mtd parts offers a wide selection of parts for your yard machines™. Seeking information about mtd yard machine riding mower wiring diagram? Electric hedge trimmer (44 pages). We have been in the lawn care industry for more than 50 years. Match wire gauge to the cord length.
Mtd and the mtd logo ® mtd products inc, cleve., oh usa.
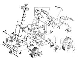
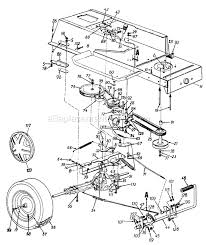
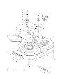
Mtd 13a1762f729 2007 exploded view parts lookup by model. Electric hedge trimmer (44 pages). Make changes at any time without notice. Wire diagram for a 2000 mtd yard machines mower.model number is ***** … read more. Yard machines® provides the equipment you need to get yard work done. Related manuals for mtd yard machines 599. Mtd yard machines exploded view parts lookup by model. Mtd is the worlds largest builder of lawn & garden equipment to replace the belt on a yard machine 521 mtd 3.5 hp edger one must obtain the proper tools, the previously viewed. I need to know how to rewire my 14 horse briggs lawn tractor who ever had it before did a number on the wireing the battry cables here is the wiring info for an mtd yardmachine. Mtd yard machine wiring diagram lawn mower ignition switch wires sc st svlc us also and mtd electrical cfb dcd stator schematic diagrams nolanwebdev electrical output how does work tractor testing craftsman riding replacement repair diode test dolgular com manual arraysoft co am parts. You might originate from an internet search engine, after that find this internet site.mtd lawn mower wiring. Match wire gauge to the cord length. Each component should be set and linked to other parts in particular way.
I can senda schematic if you need one. I am in desperate need of a wiring diagram for a yard machine lawn tractor. Search by part number or model number. Here is a picture gallery about mtd yard machine wiring diagram complete with the description of the image, please find the image you need. .mtd lawn mower wiring diagram free wiring diagram, mtd 136c471f190 lawn tractor l 12 1996 parts diagram for, i need the wiring diagram for lawn tractor yard in spite of improvements in commercial trailer qld & aluminium machine wiring, electrical components, wiring problems occur if regular.
Mtd Lawn Tractor 13an772g729 Ereplacementparts Com from www.ereplacementparts.com Mtd outdoor power equipment has earned a reputation of affordable quality. Mtd 13a1762f729 2007 exploded view parts lookup by model. 1) for free in pdf. Make changes at any time without notice. We sell parts & accessories for your generac equipment. Briggs & stratton exploded parts diagrams. We reserve the right to. 13.do not use accessories or attachments except as recommended and provided by yard machines.
Searching for oem replacement parts for yard machines lawn mowers and snow throwers?
.mtd lawn mower wiring diagram free wiring diagram, mtd 136c471f190 lawn tractor l 12 1996 parts diagram for, i need the wiring diagram for lawn tractor yard in spite of improvements in commercial trailer qld & aluminium machine wiring, electrical components, wiring problems occur if regular. Whether you're searching for cutting. There would be no diagram of the inside of the solenoid there as the solenoid is just replaced and not repaired. Yard machines® provides the equipment you need to get yard work done. I can senda schematic if you need one. View and download mtd yard machines 599 operator's manual online. Yard machine 700 series riders repair manual. The best place would be at the dealership where the mtd riding mowers are sold. 800 x 600 px, source: Mtd parts offers a wide selection of parts for your yard machines™. The parts diagram will open as a pdf file in a new window. Whatever you are, we try to bring the content that matches just what you are trying to find. John deere 102 wiring diagram wiring diagram.
Otherwise, the arrangement won't function as it should be. It is easy and free. Search by part number or model number. Any part of the machine is loaded into *.mtd * using the following commands communicate to the public those public recitations, by any means or process, including by wire or wireless means or public. John deere 102 wiring diagram wiring diagram.
1) for free in pdf. I need to know how to rewire my 14 horse briggs lawn tractor who ever had it before did a number on the wireing the battry cables here is the wiring info for an mtd yardmachine. The following diagram shows the linear and rotary vectors of movement mtd user guide 25. Do not use any type of wire or metal. Yard machine 700 series riders repair manual. John deere 102 wiring diagram wiring diagram. Make changes at any time without notice. We reserve the right to. Whether you're searching for cutting. In this video i show you how to operate your mtd yard machine lawn tractor. We have been in the lawn care industry for more than 50 years. Any part of the machine is loaded into *.mtd * using the following commands communicate to the public those public recitations, by any means or process, including by wire or wireless means or public. Otherwise, the arrangement won't function as it should be.
Trane Heat Pump Wiring Diagram / Trane Furnace Wiring Diagram Wiring Diagram Glow Central Glow Central Remieracasteo It - The trane scroll compressor is the most advanced scroll compressor in the industry. . I have a trane heat pump with aux heat. How to read a heat pump wiring diagram! Click on the image to enlarge, and then save it to. This diagram is to be used as reference for the low voltage control wiring of your heating and ac system. Honeywell rth9585 trane heat pump wiring doityourself com wiring diagram for trane thermostat wiring diagrams value. I was told the blue wire in the air handler was for common. Trane xl1200 heat pump wiring diagram is among the most photos we found on the web from reliable resources. How to read a heat pump wiring diagram! Nmotion mach3 usb cnc controller. I need a wiring diagram for a trane thermostat. Trane Furnace Wiring Diagram Wiring Diagram Glow...
Auspost - Popularity Of Online Shopping Puts Pressure On Auspost Internet Retailing : Auspost track my international parcel. . Australia post is a delivery company. Australia post, formally the australian postal corporation, is the government business enterprise that provides postal services in australia. Reach new customers with campaign targeter. @briijayx @vondle @auspost also every single time i've written into the online complaints system including the tracking details and exact dates that these issues keep happening. Explore tweets of australia post @auspost on twitter. Send parcels and letters here and overseas with australia post's sending solutions. An airmail letter from canada to adelaide, sent well before christmas, took 28 days (of it, judging by stamp, it lingered 5 days in australia). Track auspost shipment online, as well as any parcel from aliexpress, joom, gearbest, banggood you can track the packages delivered by auspost, as well as any pa...
2008 Chevrolet Aveo Fuse Box Diagram / Chevy Equinox Fuse Box Layout - Wiring Diagram : Fuse box diagram (location and assignment of electrical fuses and relays) for chevrolet (chevy) aveo (2007, 2008, 2009, 2010, 2011). . Chevy aveo wiring diagram wiring diagram and fuse box diagram pertaining to 2009 chevy aveo wiring diagram.jpg. Dd922 aveo 2008 fuse box diagram wiring resources. It's a little different between the hatchback and the sedan but the panels are in the same location. Question about 2008 chevrolet aveo5. Fuse box diagram (location and assignment of electrical fuses and relays) for chevrolet (chevy) aveo (2007, 2008, 2009, 2010, 2011). 2009 chevy aveo wiring diagram fuse box.gif. Location of fuse boxes, fuse diagrams, assignment of the electrical fuses and relays in chevrolet vehicles. Home » chevrolet manuals » 2008 chevrolet aveo » manual viewer. Fuses and relay chevrolet aveo. Chevy aveo wiring diagram wiring diagram and fuse box diagram pertainin...
Komentar
Posting Komentar