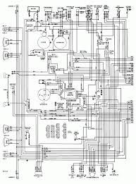
2002 Pt Cruiser Engine Diagram : Chrysler Pt Cruiser 01 08 Parts Catalog Pt Cruiser Repair : 2001 2002 chrysler pt cruiser 2.4l ecu ecm engine control module 05033119ac.
Dapatkan link
Facebook
X
Pinterest
Email
Aplikasi Lainnya
2002 Pt Cruiser Engine Diagram : Chrysler Pt Cruiser 01 08 Parts Catalog Pt Cruiser Repair : 2001 2002 chrysler pt cruiser 2.4l ecu ecm engine control module 05033119ac.. When aligning crankshaft and camshaft timing marks always rotate engine from the crankshaft. An auto parts store also may have a copy of the diagram for customers. Radiator hose diagram 2002 pt cruiser pt cruiser chrysler cars trucks. The pt is stable and planted, even as the driver wobbles in an unsupportive seat, but it. I have wiring digrams for 2001 pt cruiser from mitchell on demand.
A person can get a 2004 pt cruiser engine diagram from a chrysler dealership. When aligning crankshaft and camshaft timing marks always rotate engine from the crankshaft. Replacement, westar, anchor, mopar next, it is important to find an engine mount diagram online. We're sorry, our experts haven't reviewed this car yet. 2002 chrysler pt cruiser sub models.
2002 Chrysler Sebring Engine Diagram Wiring Diagram Direct Cross Stereotype Cross Stereotype Siciliabeb It from ww2.justanswer.com Electric radiator fan not operating performance. Let me know if you need any other help. Dodge ram 2002 owners manual. Camshaft should not be rotated after the. Radiator hose diagram 2002 pt cruiser pt cruiser chrysler cars trucks. Asked by 2002ptcruiser aug 03, 2017 at 03:51 pm about the 2002 chrysler pt cruiser limited wagon fwd. Chrysler pt cruiser replacement engine mount information. The pt is stable and planted, even as the driver wobbles in an unsupportive seat, but it.
Learn more about the 2002 chrysler pt cruiser.
2002 chrysler pt cruiser sub models. When aligning crankshaft and camshaft timing marks always rotate engine from the crankshaft. Just need to know which specific part needed diagram for. I have a 2002 pt cruiser and only 38000 miles on it. The shape is distinctive and there's an optional turbo engine. 2002 chrysler pt cruiser expert review. Often this is not a part of your chrysler pt. Chrysler pt cruiser replacement engine mount information. Fuse box diagram (location and assignment of electrical fuses) for chrysler pt cruiser (2001, 2002, 2003, 2004, 2005). An auto parts store also may have a copy of the diagram for customers. Каталоги автозапчасти легковые автомобили chrysler pt cruiser. Find great deals on ebay for 2001 pt cruiser engine computer. The pt is stable and planted, even as the driver wobbles in an unsupportive seat, but it.
An auto parts store also may have a copy of the diagram for customers. I have a 2002 pt cruiser and only 38000 miles on it. Increase the life of your vehicles engine by keeping your. 2001, 2002, 2003, 2004, 2005. Electric radiator fan not operating performance.
Pt Cruiser Engine Diagram Vacuum Wiring Diagram Server Snail Wiring Snail Wiring Ristoranteitredenari It from ww2.justanswer.com Dodge ram 2002 owners manual. Cars in good shape, water is full, oil is full, winder shield wiper fluid is good, when i stop and my car is resting after i turn the engine off, it makes a bubbling gurgling sound. 2002 chrylser pt cruiser 2.4l engine. A person can get a 2004 pt cruiser engine diagram from a chrysler dealership. Do you suspect that your car might be experiencing engine problems? Find great deals on ebay for 2001 pt cruiser engine computer. Camshaft should not be rotated after the. The sensor is removed with two screws.
Fuse box diagram (location and assignment of electrical fuses) for chrysler pt cruiser (2001, 2002, 2003, 2004, 2005).
2001 2002 chrysler pt cruiser 2.4l ecu ecm engine control module 05033119ac. Replacement, westar, anchor, mopar next, it is important to find an engine mount diagram online. Dodge ram 1500, 2003, all engines service manual. 2002 chrylser pt cruiser 2.4l engine. Timing belt.water pump.step instructions diagrams… my 2002 pt cruiser has 54k miles on it. Often this is not a part of your chrysler pt. Cars in good shape, water is full, oil is full, winder shield wiper fluid is good, when i stop and my car is resting after i turn the engine off, it makes a bubbling gurgling sound. We're sorry, our experts haven't reviewed this car yet. 2002 chrysler pt cruiser sub models. Let me know if you need any other help. Dodge ram 2002 owners manual. When aligning crankshaft and camshaft timing marks always rotate engine from the crankshaft. 2001, 2002, 2003, 2004, 2005.
I would like to know how to drain and flush the radiator and replace the fluid. 2002 chrysler pt cruiser engines. The chrysler pt (personal we stock these engine mount brands for the chrysler pt cruiser: When aligning crankshaft and camshaft timing marks always rotate engine from the crankshaft. Do you suspect that your car might be experiencing engine problems?
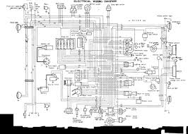
2002 Pt Cruiser Pin 85 Wiring Diagram Load Wiring Diagram Cross Cable Cross Cable Ristorantesicilia It from wawiring.darmarmag.it 2001 2002 chrysler pt cruiser 2.4l ecu ecm engine control module 05033119ac. Power distribution center is located in the engine compartment (next to the air cleaner filter). The chrysler pt (personal we stock these engine mount brands for the chrysler pt cruiser: 2002 chrysler pt cruiser sub models. 2002 chrysler pt cruiser expert review. The crankshaft position sensor on the pt cruiser is on the side of the engine above the oil filter. Chrysler pt cruiser книга по ремонту, rus. 2.4 liter dohc 16v 4 cylinder.
Let me know if you need any other help.
These engines were loosely based on their predecessors, the chrysler 2.2 & 2.5 engine, sharing the same 87.5 mm (3.44 in) bore. The crankshaft position sensor on the pt cruiser is on the side of the engine above the oil filter. The chrysler pt (personal we stock these engine mount brands for the chrysler pt cruiser: Learn more about the 2002 chrysler pt cruiser. I have wiring digrams for 2001 pt cruiser from mitchell on demand. Camshaft should not be rotated after the. I have a 2002 pt cruiser and only 38000 miles on it. 2.4 liter dohc 16v 4 cylinder. Timing belt.water pump.step instructions diagrams… my 2002 pt cruiser has 54k miles on it. 2002 chrysler pt cruiser sub models. The sensor is removed with two screws. A label identifying the components and circuits is located on the underside of the cover. Cars in good shape, water is full, oil is full, winder shield wiper fluid is good, when i stop and my car is resting after i turn the engine off, it makes a bubbling gurgling sound.
Trane Heat Pump Wiring Diagram / Trane Furnace Wiring Diagram Wiring Diagram Glow Central Glow Central Remieracasteo It - The trane scroll compressor is the most advanced scroll compressor in the industry. . I have a trane heat pump with aux heat. How to read a heat pump wiring diagram! Click on the image to enlarge, and then save it to. This diagram is to be used as reference for the low voltage control wiring of your heating and ac system. Honeywell rth9585 trane heat pump wiring doityourself com wiring diagram for trane thermostat wiring diagrams value. I was told the blue wire in the air handler was for common. Trane xl1200 heat pump wiring diagram is among the most photos we found on the web from reliable resources. How to read a heat pump wiring diagram! Nmotion mach3 usb cnc controller. I need a wiring diagram for a trane thermostat. Trane Furnace Wiring Diagram Wiring Diagram Glow...
Auspost - Popularity Of Online Shopping Puts Pressure On Auspost Internet Retailing : Auspost track my international parcel. . Australia post is a delivery company. Australia post, formally the australian postal corporation, is the government business enterprise that provides postal services in australia. Reach new customers with campaign targeter. @briijayx @vondle @auspost also every single time i've written into the online complaints system including the tracking details and exact dates that these issues keep happening. Explore tweets of australia post @auspost on twitter. Send parcels and letters here and overseas with australia post's sending solutions. An airmail letter from canada to adelaide, sent well before christmas, took 28 days (of it, judging by stamp, it lingered 5 days in australia). Track auspost shipment online, as well as any parcel from aliexpress, joom, gearbest, banggood you can track the packages delivered by auspost, as well as any pa...
2008 Chevrolet Aveo Fuse Box Diagram / Chevy Equinox Fuse Box Layout - Wiring Diagram : Fuse box diagram (location and assignment of electrical fuses and relays) for chevrolet (chevy) aveo (2007, 2008, 2009, 2010, 2011). . Chevy aveo wiring diagram wiring diagram and fuse box diagram pertaining to 2009 chevy aveo wiring diagram.jpg. Dd922 aveo 2008 fuse box diagram wiring resources. It's a little different between the hatchback and the sedan but the panels are in the same location. Question about 2008 chevrolet aveo5. Fuse box diagram (location and assignment of electrical fuses and relays) for chevrolet (chevy) aveo (2007, 2008, 2009, 2010, 2011). 2009 chevy aveo wiring diagram fuse box.gif. Location of fuse boxes, fuse diagrams, assignment of the electrical fuses and relays in chevrolet vehicles. Home » chevrolet manuals » 2008 chevrolet aveo » manual viewer. Fuses and relay chevrolet aveo. Chevy aveo wiring diagram wiring diagram and fuse box diagram pertainin...
Komentar
Posting Komentar