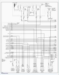
Fuel Pump Relay Wiring Diagram : Bad Ground For Fuel Pump Relay Oem Fusebox Ls1tech Camaro And Firebird Forum Discussion : Been working on a 2005 honda civic fuel pump problem for the last few days thought had it fixed last two times but not working.
Dapatkan link
Facebook
X
Pinterest
Email
Aplikasi Lainnya
Fuel Pump Relay Wiring Diagram : Bad Ground For Fuel Pump Relay Oem Fusebox Ls1tech Camaro And Firebird Forum Discussion : Been working on a 2005 honda civic fuel pump problem for the last few days thought had it fixed last two times but not working.. Terminal 3 of c/opn relay. Some parts are optional like the inertia. For the 1993 fuel pump wiring diagram, check out the following article: You can find the diagram in most chilton's manuals for that model and year. A dead fuel pump (could be the pump, pump relay pump fuse or a fault in the pump wiring circuit).
Need wiring diagram for 05 honda civic main relay and fuel pump relay … read more. How to tell if fuel pump relay is bad (6 signs). A fuel pump relay or any kind of relay is an effective way to utilize a small degree of voltage to generate a signal in order to open or close the contact of a higher current or voltage line. I'm wiring up my 12v carter fuel pump and using a relay connected to a toggle switch on dash. Variety of electric fuel pump relay wiring diagram.
Gm Fuel Pump Relay Wiring Wiring Diagram High Cable High Cable Campusmelfi It from onlinecarrepairmanuals.com If you add the fuse and switch to the wire at the top of his relay it's the same as yours. Circuit and understand it with the control side and the load side being activated with. If this part is going out, you're going to you'll easily locate the relay by referring to the wiring diagram. The two top wires in diagram are voltage and both fuse protected. S open or short in fuel pump relay circuit s fuel pump relay s ecm. Wiring up an electric fuel pump is pretty simple, and taking a few extra precautions can make it much safer than just. Supply voltage, checking notes always refer to appropriate wiring diagram. Fuel pump relay wiring diagram (automatic trans.
Where the fuel pump relay of the toyota corola 4a engine is situated?
Corrosion may build up around electrical analyze the diagrams on the relay itself or the wiring diagrams that come in your vehicle repair manual to identify these connections, circuits and. How to read automotive diagrams for fuel pump very simplified. Fuel pumps not running when ignition is switched on. Fuel pump resistor fuel pump relay. The wiring diagram for the fuel pump of this car can be found in its maintenance manual. Wiring up an electric fuel pump is pretty simple, and taking a few extra precautions can make it much safer than just. If the pump runs and generates normal pressure to the engine. Some parts are optional like the inertia. A fuel pump relay or any kind of relay is an effective way to utilize a small degree of voltage to generate a signal in order to open or close the contact of a higher current or voltage line. Supply voltage, checking notes always refer to appropriate wiring diagram. Fuse 18 ok battery ok switch on ignition fuel pumps. S open or short in fuel pump relay circuit s fuel pump relay s ecm. A fuel system diagram for the 1989 honda civic would include the fuel pump, the fuel relay, and the fuel tank and lines.
Where the fuel pump relay of the toyota corola 4a engine is situated? If you add the fuse and switch to the wire at the top of his relay it's the same as yours. Fuel pump resistor fuel pump relay. Low fuel pressure (weak pump, restricted fuel line, low voltage to the pump or a defective fuel pressure regulator). Typical 240, 740, 940 fuel pump wiring circuits 240 fuel pump and fuel pump relay circuits can be a mystery.
01 Saturn Fuel Pump Relay Wiring Diagram Diagram Base Website Wiring Diagram Cpmdiagramtemplate Dizionariodicifrematica It from cpmdiagramtemplate.dizionariodicifrematica.it Fuel pump relay wiring diagram (automatic trans. If you add the fuse and switch to the wire at the top of his relay it's the same as yours. Inner terminals may break, creating an electrical open condition; Been working on a 2005 honda civic fuel pump problem for the last few days thought had it fixed last two times but not working. A wiring diagram is a simplified standard photographic depiction of an electrical circuit. Fuel pump resistor fuel pump relay. 1993 fuel pump circuit tests. Where the fuel pump relay of the toyota corola 4a engine is situated?
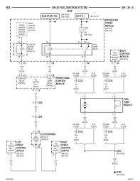
̄ check output signal circuit.
If the pump runs and generates normal pressure to the engine. Been working on a 2005 honda civic fuel pump problem for the last few days thought had it fixed last two times but not working. Some parts are optional like the inertia. If this part is going out, you're going to you'll easily locate the relay by referring to the wiring diagram. You'll be able to find out if the fuel pump relay, or the fuel pump inertia switch, or the fuel pump is the cause of the no start condition on your ford car or pickup. Fuse 18 ok battery ok switch on ignition fuel pumps. The fuel pump relay is an electronic component that is found on virtually all vehicles equipped with an internal combustion engine. Fuel gauge sender, fuel system pressurisation pump, fuel pump relay, additional coolant pump relay, fuel supply relay, fuse holder b, secondary air pump motor. Fuel pumps not running when ignition is switched on. The two top wires in diagram are voltage and both fuse protected. It states # 86 goes to ground. But if you can't find it (or if there's no wiring diagram) you can try the owner's manual or. Variety of electric fuel pump relay wiring diagram.
Fuel pump relay wiring diagram (automatic trans. For the 1993 fuel pump wiring diagram, check out the following article: Circuit and understand it with the control side and the load side being activated with. 8 5 +12v ignition white wire 3a power diode 10a fuse holder #3 0 10a fuse 3 0 10a fuse holder ~. The illlustrations and info in this page apply only to 1994 chevrolet/gmc pickups with a 4.3l, 5.0l or a 5.7l engine.
Electrical Fuel Pump Relay Stangnet from www.stangnet.com ̄ check output signal circuit. A dead fuel pump (could be the pump, pump relay pump fuse or a fault in the pump wiring circuit). On your web site it shows this diagram with #85 going to ground. The two top wires in diagram are voltage and both fuse protected. Terminal 3 of c/opn relay. 8 5 +12v ignition white wire 3a power diode 10a fuse holder #3 0 10a fuse 3 0 10a fuse holder ~. Circuit and understand it with the control side and the load side being activated with. Here are diagrams showing how they were done originally over the years.
Been working on a 2005 honda civic fuel pump problem for the last few days thought had it fixed last two times but not working.
How to tell if fuel pump relay is bad (6 signs). Fuel pump relay b3 b46. Radiator fan relay (hi) condenser fan relay (lo) condenser fan relay (hi) a/c compressor relay side turn signal lamp (rh) fuel pump relay no.2 fuel pump resistor resistor (for injector) ayc relay secondary air. A dead fuel pump (could be the pump, pump relay pump fuse or a fault in the pump wiring circuit). A fuel pump relay or any kind of relay is an effective way to utilize a small degree of voltage to generate a signal in order to open or close the contact of a higher current or voltage line. But if you can't find it (or if there's no wiring diagram) you can try the owner's manual or. Variety of electric fuel pump relay wiring diagram. In the wiring in the fuel pump relay #2. Circuit and understand it with the control side and the load side being activated with. If the pump runs and generates normal pressure to the engine. Fuel pump relay wiring diagram (automatic trans. Need wiring diagram for 05 honda civic main relay and fuel pump relay … read more. The fuel pump relay is an electronic component that is found on virtually all vehicles equipped with an internal combustion engine.
Trane Heat Pump Wiring Diagram / Trane Furnace Wiring Diagram Wiring Diagram Glow Central Glow Central Remieracasteo It - The trane scroll compressor is the most advanced scroll compressor in the industry. . I have a trane heat pump with aux heat. How to read a heat pump wiring diagram! Click on the image to enlarge, and then save it to. This diagram is to be used as reference for the low voltage control wiring of your heating and ac system. Honeywell rth9585 trane heat pump wiring doityourself com wiring diagram for trane thermostat wiring diagrams value. I was told the blue wire in the air handler was for common. Trane xl1200 heat pump wiring diagram is among the most photos we found on the web from reliable resources. How to read a heat pump wiring diagram! Nmotion mach3 usb cnc controller. I need a wiring diagram for a trane thermostat. Trane Furnace Wiring Diagram Wiring Diagram Glow...
Auspost - Popularity Of Online Shopping Puts Pressure On Auspost Internet Retailing : Auspost track my international parcel. . Australia post is a delivery company. Australia post, formally the australian postal corporation, is the government business enterprise that provides postal services in australia. Reach new customers with campaign targeter. @briijayx @vondle @auspost also every single time i've written into the online complaints system including the tracking details and exact dates that these issues keep happening. Explore tweets of australia post @auspost on twitter. Send parcels and letters here and overseas with australia post's sending solutions. An airmail letter from canada to adelaide, sent well before christmas, took 28 days (of it, judging by stamp, it lingered 5 days in australia). Track auspost shipment online, as well as any parcel from aliexpress, joom, gearbest, banggood you can track the packages delivered by auspost, as well as any pa...
2008 Chevrolet Aveo Fuse Box Diagram / Chevy Equinox Fuse Box Layout - Wiring Diagram : Fuse box diagram (location and assignment of electrical fuses and relays) for chevrolet (chevy) aveo (2007, 2008, 2009, 2010, 2011). . Chevy aveo wiring diagram wiring diagram and fuse box diagram pertaining to 2009 chevy aveo wiring diagram.jpg. Dd922 aveo 2008 fuse box diagram wiring resources. It's a little different between the hatchback and the sedan but the panels are in the same location. Question about 2008 chevrolet aveo5. Fuse box diagram (location and assignment of electrical fuses and relays) for chevrolet (chevy) aveo (2007, 2008, 2009, 2010, 2011). 2009 chevy aveo wiring diagram fuse box.gif. Location of fuse boxes, fuse diagrams, assignment of the electrical fuses and relays in chevrolet vehicles. Home » chevrolet manuals » 2008 chevrolet aveo » manual viewer. Fuses and relay chevrolet aveo. Chevy aveo wiring diagram wiring diagram and fuse box diagram pertainin...
Komentar
Posting Komentar